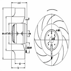
離心扇 Centrifugal Fan

離心扇 Centrifugal Fan >